

Rp3/4 bi. SPIROTRAP VVE=8 Spirotech
Verzekert optimale bescherming van verwarmings- en koelsystemen door efficiënte vuilafscheiding met een messing behuizing en flexibele installatieopties. De externe magneet en reiniging tijdens bedrijf garanderen langdurige systeemprestaties en minder onderhoud.
€255,00 incl. btw
Ga direct naar:
Omschrijving
Betrouwbare vuilafscheiding voor verwarmings- en koelsystemen
De Rp3/4 bi. SPIROTRAP VVE=8 van Spirotech biedt een effectieve oplossing voor het verwijderen van vuildeeltjes uit gesloten verwarmings- en koelsystemen. Door vuil te scheiden met een vol doorstroom- en bezinkingsprincipe voorkomt deze afscheider schade, verstoppingen en inefficiëntie in het systeem. Dit draagt bij aan een langere levensduur van ketels en installaties, terwijl het onderhoud wordt verminderd.
Bekijk volledige omschrijving
Kenmerken en voordelen
- Messing behuizing en aansluitingen: zorgen voor duurzame corrosiebestendigheid en een betrouwbare verbinding met knelringen.
- Variabele stromingsrichting: maakt installatie zowel horizontaal als verticaal mogelijk, wat flexibiliteit in verschillende systemen biedt.
- Externe magneet: trekt ferromagnetisch vuil aan, waardoor ook fijn magnetisch vuil efficiënt wordt verwijderd zonder systeemonderbreking.
- Reiniging tijdens bedrijf toegestaan: voorkomt stilstand en zorgt voor continuïteit in het verwarmings- of koelsysteem.
- Afvoerkraan geïntegreerd: maakt het eenvoudig vuil en slib af te voeren zonder demontage.
- Maximale werkdruk van 10 bar en mediumtemperatuur tot 110 °C: geschikt voor diverse toepassingen binnen standaard verwarmings- en koelsystemen.
- Doorstroomcapaciteit van 0 tot 1,3 m³/h en Kvs-waarde van 9,07: biedt voldoende capaciteit voor optimale doorstroming zonder drukverlies.
- Compatibel met maximaal 50% glycolmengsel: ideaal voor systemen die antivriesmiddelen gebruiken.
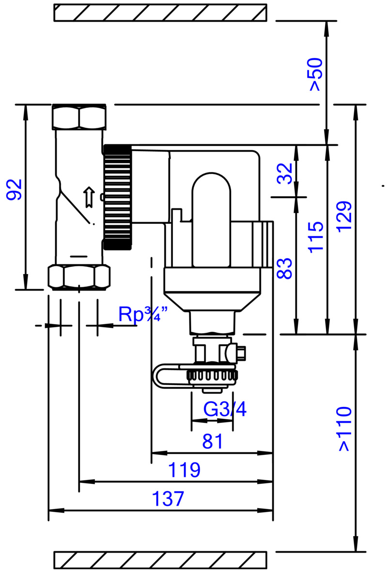
- Compacte bouwlengte van 120 mm en sprongafstand 0 mm: zorgt voor eenvoudige integratie zonder extra ruimte in te nemen.
- Geen automatische ontluchter of terugspoelbaar filter: vermindert complexiteit en verhoogt de betrouwbaarheid van het apparaat.
Technische specificaties
De afwijkende nominale diameter en de kwalitatieve messing behuizing onderscheiden dit model binnen de Spirotech lijn. De PN 10 druktrap klasse garandeert veilig gebruik bij hoge drukken. De knelring aansluitingen maken snelle en veilige verbindingen mogelijk zonder lastige laswerkzaamheden. Het model is onbehandeld qua oppervlaktebescherming, wat een geschikte keuze is voor toepassingen waar extra bescherming niet vereist is of zelf wordt verzorgd. De externe locatie van de magneet maakt inspectie en reiniging eenvoudig toegankelijk.
Toepassingen
Deze vuilafscheider is specifiek ontworpen voor gesloten verwarmings- en koelsystemen. Het is niet geschikt voor open systemen of toepassingen in zonne-energiesystemen. De combinatie van messing materiaal en magneetwerking maakt het uitermate geschikt voor professionele installaties waar betrouwbaarheid en onderhoudsgemak cruciaal zijn. Dankzij de compacte afmetingen past de afscheider eenvoudig in bestaande leidingsystemen zonder ingrijpende aanpassingen.
Concluderend
De Rp3/4 bi. SPIROTRAP VVE=8 Spirotech onderscheidt zich door zijn robuuste messing constructie, efficiënte magneetwerking en flexibele installatieopties. Dit product waarborgt een lange levensduur en optimale prestaties van verwarmings- en koelsystemen met minimale onderhoudsinspanningen. Voor installateurs die zoeken naar een betrouwbare, onderhoudsvriendelijke vuilafscheider met bewezen kwaliteit is dit model een uitstekende keuze.
Ontdek de voordelen
- 30 dagen bedenktijd
- Gratis verzending boven €100,-
- Afhalen ook mogelijk
Specificaties
| Artikelcode leverancierGeeft de artikelcode leverancier van het artikel aan. | 0FB6879 |
|---|---|
| EANDe EAN code, ook wel streepjescode of barcode genoemd. | 08717811046425 |
| MerkGeeft de merken van het artikel aan. | Spirotech |
Bekijk alle specificaties
| Soort afscheiderGeeft de soort afscheider van het artikel aan. | Vuil |
|---|---|
| ModelGeeft de model van het artikel aan. | Horizontaal/verticaal |
| Materiaal aansluitingGeeft de materiaal aansluiting van het artikel aan. | Messing |
| Kwaliteitsklasse aansluitingGeeft de kwaliteitsklasse aansluiting van het artikel aan. | Overig |
| Materiaal behuizingGeeft de materiaal behuizing van het artikel aan. | Messing |
| Kwaliteitsklasse materiaal behuizingGeeft de ef024143 van het artikel aan. | Overig |
| Variabele stromingsrichtingGeeft de variabele stromingsrichting van het artikel aan. | Ja |
| Geschikt voor verwarmingGeeft de geschikt voor verwarming van het artikel aan. | Ja |
| Geschikt voor koelingGeeft de geschikt voor koeling van het artikel aan. | Ja |
| Geschikt voor solarGeeft de geschikt voor solar van het artikel aan. | Nee |
| Nom. diameterGeeft de nom diameter van het artikel aan. | Overig |
| AansluitingGeeft het type aansluiting weer, bijvoorbeeld: 2-draads, Binnendraad cilindrisch BSPP-G (ISO 228-1), Buitendraad metrisch, Flens, Insteekeind of Kanaaleind, | Knelring |
| BouwlengteGeeft de bouwlengte van het artikel aan. | 120 mm |
| Druktrap klasseGeeft de druktrap klasse van het artikel aan. | PN 10 |
| OppervlaktebeschermingGeeft de oppervlaktebescherming van het artikel aan. | Onbehandeld |
| Wervel werkingsprincipeGeeft de wervel werkingsprincipe van het artikel aan. | Nee |
| Onderdruk werkingsprincipeGeeft de onderdruk werkingsprincipe van het artikel aan. | Nee |
| Magneet WerkingsprincipeGeeft de magneet werkingsprincipe van het artikel aan. | Ja |
| Stuwing werkingsprincipeGeeft de stuwing werkingsprincipe van het artikel aan. | Nee |
| Deelstroom werkingsprincipeGeeft de deelstroom werkingsprincipe van het artikel aan. | Nee |
| Principe volle doorstroom met bezinkenGeeft de ef017626 van het artikel aan. | Ja |
| Reiniging mogelijk tijdens bedrijfGeeft de ef017630 van het artikel aan. | Ja |
| Magneet locatieGeeft de magneet locatie van het artikel aan. | Extern |
| DoorstroomcapaciteitGeeft de doorstroomcapaciteit van het artikel aan. | 0/1.3 m³/h |
| Geschikt voor open systeemGeeft de geschikt voor open systeem van het artikel aan. | Nee |
| Geschikt voor gesloten systeemGeeft de ef023918 van het artikel aan. | Ja |
| AfvoerkraanGeeft de afvoerkraan van het artikel aan. | Ja |
| Met demontabel filterGeeft de met demontabel filter van het artikel aan. | Nee |
| Inhoud filterGeeft de inhoud filter van het artikel aan. | 0.36 l |
| Terugspoelbaar filterGeeft de terugspoelbaar filter van het artikel aan. | Nee |
| Met automatische ontluchterGeeft de met automatische ontluchter van het artikel aan. | Nee |
| Met koppelingenGeeft de met koppelingen van het artikel aan. | Ja |
| Sprongafstand ingang/uitgangGeeft de sprongafstand ingang uitgang van het artikel aan. | 0 mm |
| Mediumtemperatuur (continu)Geeft de mediumtemperatuur continu van het artikel aan. | 0/110 °C |
| Max. werkdrukGeeft de max werkdruk van het artikel aan. | 10 bar |
| Kvs-waardeGeeft de kvs waarde van het artikel aan. | 9.07 |
| Met isolatieGeeft de met isolatie van het artikel aan. | Nee |
| Max. glycolmengselGeeft de max glycolmengsel van het artikel aan. | 50 % |
| Met geïntegreerde bijvulautomaatGeeft de ef009268 van het artikel aan. | Nee |
Documenten
- Onderdelenlijst/explosietekening
- Onderdelenlijst/explosietekening
- Link naar sheet
- Link naar sheet
- Onderdelenlijst/explosietekening
- Link naar sheet
- Link naar sheet
- Installatie- en onderhoudsdocument
- Product Data Sheet UE075WH
- Quick Reference Guide SpiroTrap MBC
- Product Data Sheet SpiroTrap MBC -¾" -Magnet -Uni (UE075WH)
- Product Data Sheet SpiroTrap MBC -¾" -Magnet -Uni (UE075WH)
- Product Data Sheet SpiroTrap MBC -¾" -Magnet -Uni (UE075WH)
- Product Data Sheet SpiroTrap MBC -¾" -Magnet -Uni (UE075WH)
- Product Data Sheet SpiroTrap MBC -¾" -Magnet -Uni (UE075WH)
- Product Data Sheet SpiroTrap MBC -¾" -Magnet -Uni (UE075WH)
- Product Data Sheet SpiroTrap MBC -¾" -Magnet -Uni (UE075WH)
- Product Data Sheet SpiroTrap MBC -¾" -Magnet -Uni (UE075WH)
- Product Data Sheet SpiroTrap MBC -¾" -Magnet -Uni (UE075WH)
Video's
Helaas heeft dit product nog geen video's.
Al sinds 1958 leveren wij kwaliteitsproducten
Ons specialisme en kennis van zaken, maakt dat onze klanten ons al ruim 62 jaar waarderen!

Beoordelingen
Feitjes en weetjes
Wat doet een vuilafscheider?
Een vuilafscheider verwijdert vuildeeltjes uit het CV-water om slijtage van onderdelen te voorkomen.
Waarom een luchtafscheider plaatsen?
Een luchtafscheider voorkomt luchtbellen in het systeem, wat storingen en geluid kan veroorzaken.
Hoe vaak moet ik een vuilafscheider reinigen?
Controleer jaarlijks en reinig indien nodig om optimale werking te behouden.

















Beoordelingen
Er zijn nog geen beoordelingen.